Startseite
unterneh Produkte Neuigkeiten Kontakt Service

THE REVOLUTION - THE INITIAL INSTALLATION IN LESS THAN 3 MINUTES
RICCIUS+SOHN has developed another new controller in the control system DDC-RegelUNIT 9X compact: The boiler and district heating controller RU 8X with the quick installation package:
Menu driven initial installation: Switch on - select system diagram - enter time and date - select occupation profile - select heating system - select between 3 additional options - cold start - DONE!
Child proofed operation: current values, set points and status with one button, set point adjustment with potentiometer, controller will program itself just by selecting the system diagram..

Clear menu structure, manual operation with main operating switch.

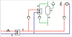
Can you beat that? Herr are a few examples for the system diagrams you can choose from:

ru9x kompakt
Neue Produkte
Neueste Informationen
Presse Center
PLUSpunkte newsletter
Schulung
R+S Forum