 |
  |
 |
 |
|
|
|
|
|
|
 |
|
|
|
|
|
 |
|
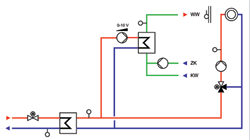
| DOMESTIC HOT WATER CONTROL WITH HEAT EXCHANGER (flow through technology) |
 |
|
 |
|
 |
|
RICCIUS+SOHN has developed a new controller in the control system DDC-RegelUNIT 9X compact: The district heating controller RU 98.1F-110.U with a quick 0..10V output and with a very fast control mechanism in combination with the high speed sensor MUF-HS XS. This fast controller enables the customer to control a domestic hot water system, that works with a heat exchanger in a flow through technology. This brings you following advantages:
- No expensive buffer tank - no heat loss, no unnecessary heating.
- compact construction of system - less room needed.
- No danger of Legionelles.
|
|
|
|
 |
|
|
How is R+S doing this?
The new R+S Controller RU 98.1F-110.U has a fast 0-10V-Output to control the DHW control valve or the revolution controlles DHW pump. |
|
 |
 |
|
|
|
|
|
|
|
|
|
|
|
|
|